| 阀门信号控制系统 |
| 【 返 回】 |
| 硬件概述 |
| TST2811信号控制分析系统包括了从传感器(应变片)、数据采集、分析软件到一键式生成实验报告,构成了一套完整的阀门测试分析系统。数据采集器配备3个应变片接线端子和1个补偿端子;1个开关量输出端子;1个可控制直流电流信号输出端子;8个传感器接线端子。 TST2811信号控制分析系统实现对气动/电动阀门的性能诊断功能;获取阀门执行机构的推力(或扭矩)、弹簧的推力(或扭矩)、填料的摩擦力、阀芯和阀杆的重量、阀芯关闭的推力(或扭矩)、流体介质的力;实现对阀门全开和全关位置弹簧预紧力测试、静态测试和动态测试、电动执行机构的电压和电流信号变化。 |
![]() |
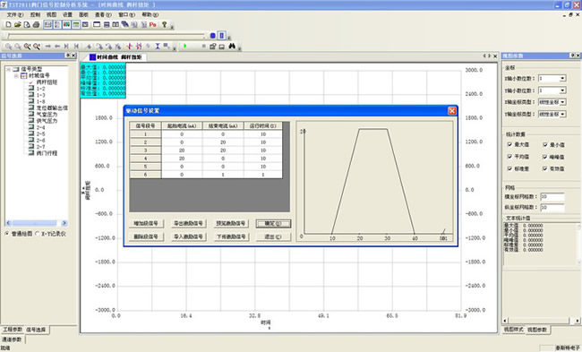
| 软件概述 |
| TST2811阀门信号控制分析软件测量电动阀门时通过测量电机的电流、电压、作用在阀杆上的推力和扭矩,并与标准值进行比较,来判断阀门的性能是否满足要求,及早发现隐患。测量气动阀门时,通过测试气动调节阀门的驱动机构的调节信号、气压和阀门行程之间的关系,来判断阀门的调节性能是否满足要求。同时还可以测量到气动驱动机构的弹簧是否已经疲劳失效。软件操作简单灵活,为用户提供了普通视图和X-Y记录仪两种视图方式,驱动信号设置和初始化激励信号设置,行程载荷显示,右键直接查看各种数据直到一键式生成测试报告。 |
![]() |
![]() |
![]() |
| 硬件特点: |
| ● 采用高速ARM处理器,配合独特的软硬件信号处理技术和硬件隔离技术,系统具有极强的现场抗干扰能力。 ● 大容量的电子硬盘,可存储多达几十年的数据,配合功能强大的软件,用户可以很轻松的对数据进行管理,可脱离计算机单独使用。 ● 有传感器、应变片输入端子、开关量输出端子、可控制直流电流信号输出端子。 ● 每个测点可分别自动平衡。 ● 测点切换采用进口高性能光继电器和机械继电器两种,方便用户选择。 ● 内置Q-FAN 温度控制系统,进一步减少温度对测量结果的影响。 |
| 软件特点: |
| ● 显示方式灵活:时域曲线显示,可同时显示多个窗口,每个窗口可显示8个测点数据。X-Y记录仪方式绘制滞回曲线。 ● 视图实时增加数据和减小数据量,方便用户实时观测,同时提供单双光标读数据功能,并实时计算最大值、最小值等统计值。 ● 数据快速定位功能,对于长时间监测的工程,数据量很大,通过快速定位功能,可以很方便的找到需要的数据。 ● 数据标记,用户可以对感兴趣的数据加上标记,这样可以在各块数据间进行灵活定位,节省操作时间。 ● 导入导出平衡结果,方便用户继续测试。 ● 可根据用户要求,将数据导入EXCEL 、TXT文件。 ● 右键直接读取阀门的各项参数。 ● 通道参数设置,可对每个通道进行单独设置。 ●一键式生成测试报告。 |





